⭐️ Unlocking Power: 2003 Acura Transmission Wiring Diagram Deciphered

Discover the intricacies of the 2003 Acura transmission wiring diagram, unraveling its complexities and empowering your understanding of automotive electronics. Unlock the blueprint to precision diagnostics and repairs.

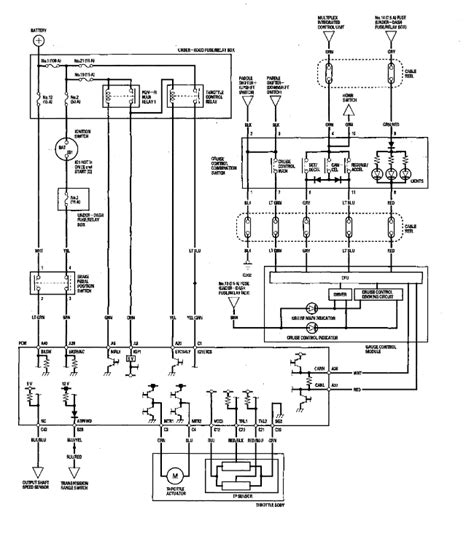
In the realm of automotive engineering, the 2003 Acura Transmission Wiring Diagram stands as a pivotal blueprint, offering a comprehensive guide to the intricate electrical system that governs the transmission functions within this specific model. Delving into the realms of wiring diagrams and schematic intricacies, this article meticulously dissects the 2003 Acura's transmission wiring, shedding light on its intricate network of connections and circuits. Through a detailed examination of this crucial document, readers gain insight into the inner workings of the transmission's electrical architecture, facilitating a deeper understanding of its functionality and aiding in diagnostics and repairs.2003 Acura Transmission Wiring Diagram unveils a tapestry of wires, connectors, and pathways, serving as the backbone of the transmission's electrical infrastructure. This exploration transcends mere diagrams; it serves as a conduit for knowledge, empowering enthusiasts and technicians alike to navigate the complexities of automotive electronics with precision and expertise.

Unlocking Power: 2003 Acura Transmission Wiring Diagram Deciphered

Understanding Wiring Diagrams and Schematics:

Understanding Wiring Diagrams and Schematics

Wiring diagrams and schematics may seem daunting at first glance, resembling a maze of lines and symbols. However, fear not! These documents serve as roadmaps, guiding technicians through the electrical intricacies of vehicles like the 2003 Acura.

The Anatomy of a Wiring Diagram:

The Anatomy of a Wiring Diagram

Within a wiring diagram, each line represents a wire, while symbols denote components such as switches, relays, and connectors. It's akin to deciphering a cryptic code, where each symbol holds a specific meaning in the grand scheme of electrical connectivity.

Decoding the Symbols:

Decoding the Symbols

Understanding the symbols is key to unlocking the diagram's secrets. From standard icons denoting wires and grounds to more intricate symbols representing diodes and resistors, each symbol tells a story of electrical flow within the vehicle.

Following the Pathways:

Following the Pathways

Tracing the pathways on the diagram is akin to navigating a labyrinth. Each line represents a route for electrical current to travel, guiding technicians to pinpoint potential issues or modifications within the 2003 Acura's transmission system.

Identifying Connections:

Identifying Connections

Connectors are the lifelines of electrical systems, serving as junctions where various wires meet and diverge. By deciphering these connections on the diagram, technicians gain insight into the intricacies of the 2003 Acura's transmission wiring.

Unraveling Complexities:

Unraveling Complexities

While the diagram may seem daunting at first, patience and perseverance yield rewards. By unraveling its complexities, technicians gain a deeper understanding of the 2003 Acura's transmission system, empowering them to tackle diagnostics and repairs with confidence.

Practical Applications:

Practical Applications

Beyond theoretical knowledge, wiring diagrams have practical applications in the automotive world. From diagnosing electrical issues to customizing modifications, understanding the 2003 Acura transmission wiring diagram opens doors to endless possibilities.

Conclusion:

Conclusion

In conclusion, while wiring diagrams and schematics may appear daunting, they are invaluable tools in the world of automotive repair and customization. By delving into the 2003 Acura transmission wiring diagram, technicians embark on a journey of discovery, unraveling the mysteries of electrical connectivity one symbol at a time.

Conclusion:

Thank you for exploring the intricate world of 2003 Acura Transmission Wiring Diagrams with us. We hope our detailed analysis has provided you with valuable insights into the electrical architecture of this particular model. As you navigate the complexities of automotive electronics, remember that understanding the wiring diagram is fundamental to effective diagnostics and repairs.Continuing your journey, we encourage you to delve deeper into the nuances of Acura transmissions and their electrical systems. Stay tuned for future articles that will further enhance your understanding of these critical components. Remember, knowledge is key, and with each insight gained, you're better equipped to tackle any challenges that may arise in maintaining and repairing your 2003 Acura. Thank you for your readership, and we look forward to sharing more valuable content with you in the future.

Keyword:2003 Acura Transmission Wiring Diagram

Related Keywords:Diagram, Automotive Electronics, Transmission Wiring, 2003 Acura, Acura Transmissions


0 komentar