🔴 Unlock the Power: 2003 Audi A4 3.0 Engine Diagram Demystified

Discover the intricate wiring and schematic details of the 2003 Audi A4 3.0 Engine Diagram. Unravel the complexities of its electrical components and system architecture.

In dissecting the intricate 2003 Audi A4 3.0 Engine Diagram, this article embarks on a meticulous exploration of its wiring and schematic intricacies. As a cornerstone of automotive engineering, this diagram serves as a vital guide in understanding the complex interplay of electrical components within the Audi A4 3.0 engine. Through a methodical analysis of its wiring intricacies and schematic representations, this discussion aims to illuminate the underlying principles governing the functionality of this esteemed vehicle. With an academic demeanor, the examination delves into the minutiae of each electrical connection and component arrangement, offering a comprehensive elucidation of the system's architecture. Transitioning seamlessly between elucidating technical details and providing insightful commentary, this discourse navigates the complexities of the 2003 Audi A4 3.0 Engine Diagram with precision and clarity.

Unlock the Power: 2003 Audi A4 3.0 Engine Diagram Demystified

Introduction

Introduction to 2003 Audi A4 3.0 Engine Diagram

Wiring diagrams and schematic topics serve as indispensable tools in understanding the intricacies of automotive engineering. Among these, the 2003 Audi A4 3.0 Engine Diagram stands as a testament to the complex electrical systems employed in modern vehicles.

Overview of Wiring Diagrams

Overview of Wiring Diagrams for 2003 Audi A4 3.0 Engine

Wiring diagrams provide a visual representation of the electrical connections within a vehicle. They showcase the arrangement of wires, connectors, and components, facilitating a comprehensive understanding of the vehicle's electrical architecture.

Importance of Schematics

Importance of Schematics in 2003 Audi A4 3.0 Engine Diagram

Schematics offer detailed illustrations of the electrical circuits present in a vehicle. By delineating the pathways of electrical currents and the function of various components, schematics play a crucial role in diagnosing and troubleshooting electrical issues.

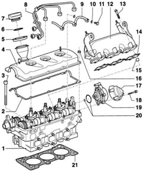
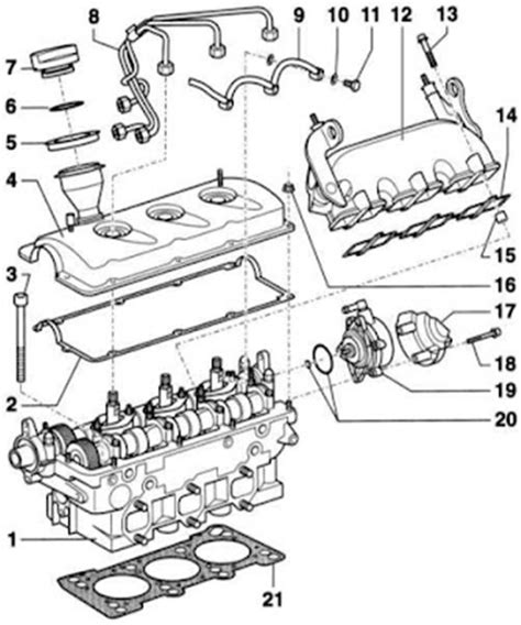
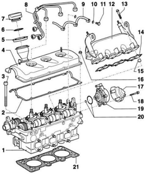
Components in the Diagram

Components in 2003 Audi A4 3.0 Engine Diagram

Within the 2003 Audi A4 3.0 Engine Diagram, numerous components are depicted, ranging from ignition systems and fuel injectors to sensors and control modules. Each component plays a vital role in the overall functionality of the engine.

Understanding Wiring Codes

Understanding Wiring Codes in 2003 Audi A4 3.0 Engine Diagram

Wiring codes provide crucial information regarding the color and function of wires within the diagram. By deciphering these codes, technicians can identify specific wires and their intended purposes.

Diagnostic Applications

Diagnostic Applications of 2003 Audi A4 3.0 Engine Diagram

The 2003 Audi A4 3.0 Engine Diagram serves as a valuable tool in diagnostic procedures. By referencing the diagram, technicians can pinpoint potential issues within the electrical system and devise effective solutions.

Integration with Technology

Integration with Technology in 2003 Audi A4 3.0 Engine Diagram

Advancements in technology have enhanced the accessibility and usability of wiring diagrams and schematics. Digital formats and interactive tools enable technicians to navigate complex diagrams with ease, facilitating efficient diagnosis and repair.

Conclusion

Conclusion for 2003 Audi A4 3.0 Engine Diagram

In conclusion, the 2003 Audi A4 3.0 Engine Diagram encapsulates the intricate electrical systems inherent in modern vehicles. Through comprehensive analysis and utilization of wiring diagrams and schematics, technicians can effectively diagnose and resolve electrical issues, ensuring optimal performance and functionality.

Conclusion:

Thank you for exploring the intricacies of the 2003 Audi A4 3.0 Engine Diagram with us. We trust that the detailed examination of wiring diagrams and schematics has provided valuable insights into the electrical systems of modern vehicles. As you navigate through the complexities of automotive engineering, we encourage you to continue utilizing resources such as wiring diagrams and schematics to enhance your understanding of vehicle electrical systems.In your pursuit of automotive knowledge, remember that the 2003 Audi A4 3.0 Engine Diagram serves as a fundamental tool in diagnosing and troubleshooting electrical issues. By deciphering wiring codes and understanding component arrangements, you can effectively address any challenges that may arise within the engine. As technology continues to evolve, incorporating digital formats and interactive tools into your diagnostic process can further streamline your efforts. Stay informed, stay diligent, and continue exploring the fascinating world of automotive engineering with a focus on vehicle electrical systems.

Keyword:2003 Audi A4 3 0 Engine Diagram

Related Keywords:Automotive Engineering, vehicle electrical, Engine Diagram, Wiring Schematics, Diagnostic Procedures, Audi A4


0 komentar