💎 Unlock Performance: 2002 VW GTI VR6 Engine Diagram Demystified

Explore the intricacies of the 2002 VW GTI VR6 Engine Diagram on our site. Uncover detailed wiring and schematic configurations to enhance your understanding of this automotive marvel.

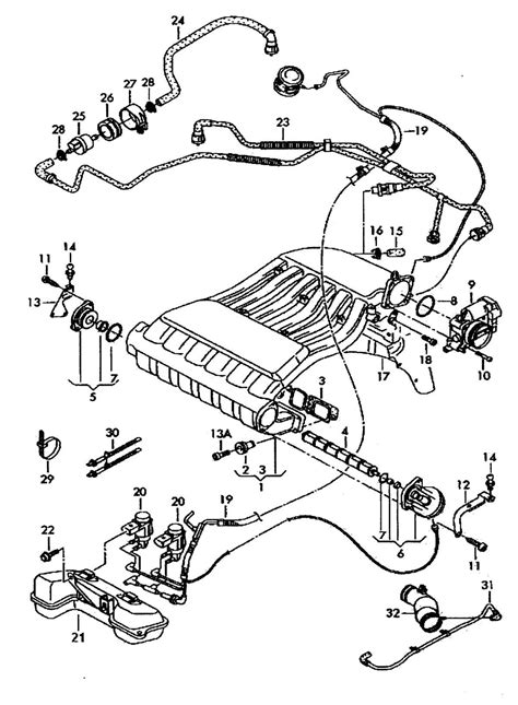
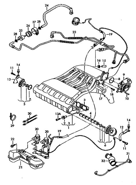
In the realm of automotive engineering, precision and clarity are paramount, particularly when it comes to understanding the intricate workings of a 2002 VW GTI VR6 engine. As enthusiasts and technicians delve into the complexities of this powerhouse, a comprehensive engine diagram serves as an invaluable tool, shedding light on the intricate network of wiring and schematic configurations that drive performance. This article embarks on a detailed exploration of these critical components, offering a meticulous breakdown of the 2002 VW GTI VR6 engine diagram, from its electrical wiring intricacies to its schematic layout. By dissecting each element with meticulous detail, readers will gain a deeper appreciation for the engineering prowess behind this automotive marvel.

Unlock Performance: 2002 VW GTI VR6 Engine Diagram Demystified

Introduction

Introduction 2002 Vw Gti Vr6 Engine Diagram

Wiring diagrams and schematic topics are crucial elements in understanding the intricate workings of automotive engines. In this article, we delve into the 2002 VW GTI VR6 Engine Diagram to explore the detailed configurations and electrical connections.

Understanding Wiring Diagrams

Understanding Wiring Diagrams 2002 Vw Gti Vr6 Engine Diagram

Wiring diagrams are visual representations of the electrical system within a vehicle. They illustrate the connections between various components, helping technicians diagnose and repair electrical issues efficiently.

Analyzing Schematic Diagrams

Analyzing Schematic Diagrams 2002 Vw Gti Vr6 Engine Diagram

Schematic diagrams provide a broader overview of the system's layout, including how components are interconnected. They highlight the flow of electricity and facilitate a deeper understanding of the engine's operation.

Key Components

Key Components 2002 Vw Gti Vr6 Engine Diagram

Within the 2002 VW GTI VR6 engine diagram, several key components play vital roles in the engine's performance. These include the ignition system, fuel injectors, sensors, and various electronic control units.

Electrical Connections

Electrical Connections 2002 Vw Gti Vr6 Engine Diagram

Understanding the electrical connections depicted in the diagram is essential for diagnosing and troubleshooting issues related to wiring harnesses, connectors, and power distribution throughout the engine.

Diagnostic Applications

Diagnostic Applications 2002 Vw Gti Vr6 Engine Diagram

The 2002 VW GTI VR6 engine diagram serves as a valuable tool in diagnostic applications. Technicians utilize it to identify faulty components, trace wiring issues, and perform accurate repairs, ensuring optimal engine performance.

Enhancing Performance

Enhancing Performance 2002 Vw Gti Vr6 Engine Diagram

By enhancing performance, the wiring diagram and schematic topics related to the 2002 VW GTI VR6 engine empower enthusiasts to customize and optimize their vehicle's electrical system for improved efficiency and power output.

Conclusion

Conclusion 2002 Vw Gti Vr6 Engine Diagram

In summary, the 2002 VW GTI VR6 Engine Diagram provides a comprehensive visual guide to the engine's electrical system, offering invaluable insights for both technicians and enthusiasts alike.

Conclusion:

Thank you for exploring our in-depth analysis of the 2002 VW GTI VR6 Engine Diagram. We hope our comprehensive breakdown of wiring and schematic topics has provided valuable insights into the intricate workings of this automotive marvel. As you continue your journey in understanding engine diagrams and their significance in automotive engineering, we encourage you to delve deeper into related articles on our platform.Remember, a thorough understanding of wiring diagrams and schematics not only enhances your appreciation for the engineering behind the 2002 VW GTI VR6 Engine, but also empowers you with knowledge that can be applied to various automotive projects. Whether you're a seasoned enthusiast or a budding technician, stay tuned for more informative content tailored to fuel your passion for automotive engineering. Keep exploring, keep learning, and continue to unlock the mysteries behind the 2002 VW GTI VR6 Engine Diagram.

Keyword:2002 Vw Gti Vr6 Engine Diagram

Related Keywords:Automotive Engineering, Wiring Schematic, Comprehensive Analysis, Engine Diagram, 2002 VW, VR6 Engine


0 komentar