😃 2002 Royal Enfield Wiring Diagram: Unveiling Motorcycle's Electrical Blueprint

Discover the intricacies of the 2002 Royal Enfield wiring diagram, unraveling the motorcycle's electrical blueprint and facilitating troubleshooting.

In the realm of motorcycle enthusiasts, few names evoke as much reverence as Royal Enfield. Renowned for its timeless designs and enduring legacy, the 2002 Royal Enfield stands as a testament to the brand's commitment to craftsmanship and tradition. Amidst the array of technical manuals and guides lies a vital document: the wiring diagram. This intricate schematic serves as the blueprint for the motorcycle's electrical system, detailing the intricacies of connections and components. Delving into the depths of this wiring diagram is akin to unraveling the motorcycle's technological DNA, offering insight into its inner workings and facilitating troubleshooting endeavors. Through meticulous examination and analysis, enthusiasts and technicians alike can decode the mysteries concealed within the 2002 Royal Enfield's electrical infrastructure.

2002 Royal Enfield Wiring Diagram: Unveiling Motorcycle

Understanding the 2002 Royal Enfield Wiring Diagram

Understanding the 2002 Royal Enfield Wiring Diagram

The Importance of Wiring Diagrams

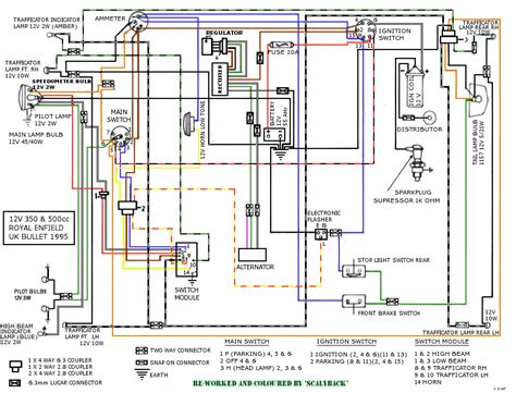
Wiring diagrams are indispensable tools for understanding the complex electrical systems of vehicles like the 2002 Royal Enfield. These diagrams provide a visual representation of the wiring layout, helping technicians and enthusiasts comprehend the connections between various components.

Deciphering Electrical Schematics

Deciphering Electrical Schematics

Electrical schematics, included in the wiring diagram, are intricate blueprints detailing the electrical pathways within the motorcycle. Understanding these schematics is crucial for diagnosing and troubleshooting electrical issues.

Components and Connections

Components and Connections

The wiring diagram delineates the components and connections of the 2002 Royal Enfield's electrical system. From the battery and ignition switch to lights and indicators, every component is meticulously illustrated.

Identifying Wiring Colors

Identifying Wiring Colors

Wiring diagrams also aid in identifying the wiring colors associated with each circuit. This color-coded system simplifies the process of tracing and diagnosing electrical issues.

Diagnostic Assistance

Diagnostic Assistance

When faced with electrical problems, the wiring diagram serves as a diagnostic tool. By comparing the actual wiring to the diagram, technicians can pinpoint faults and devise effective solutions.

Ensuring Safety

Ensuring Safety

Proper understanding of the wiring diagram is vital for ensuring safety during maintenance and repair tasks. Adhering to the prescribed wiring configurations reduces the risk of electrical hazards.

Modification Guidance

Modification Guidance

For enthusiasts undertaking modifications or upgrades, the wiring diagram offers invaluable guidance. It enables them to integrate new components seamlessly into the existing electrical system.

Documentation Reference

Documentation Reference

Lastly, the wiring diagram serves as a reference for documentation purposes. It provides a comprehensive overview of the motorcycle's electrical setup for future maintenance or restoration projects.

Conclusion:

Thank you for exploring the intricacies of the 2002 Royal Enfield Wiring Diagram with us. We trust that delving into the schematic and wiring diagram has provided valuable insights into the electrical architecture of this iconic motorcycle. As you navigate through the complexities of electrical systems, remember that the wiring diagram serves as a guiding beacon, offering a comprehensive roadmap for understanding and troubleshooting.

In your pursuit of maintaining, repairing, or modifying your 2002 Royal Enfield, we encourage you to refer back to the diagram and schematic as invaluable resources. Whether you're a seasoned technician or an enthusiast embarking on a restoration project, a thorough understanding of the wiring diagram ensures both efficiency and safety in your endeavors. Keep exploring, keep learning, and may your journey with the 2002 Royal Enfield be filled with discovery and satisfaction.

Keyword:2002 Royal Enfield Wiring Diagram

Related Keywords:Troubleshooting, Wiring Diagram, Electrical System, Components, schematic, Royal Enfield, Modification.


0 komentar