✅ Unlock Power: 2003 Audi A4 3.0 Quattro Engine Diagram Decoded

Discover the intricacies of the 2003 Audi A4 3.0 Quattro Engine Diagram. Dive into detailed wiring schematics and unlock the power within this iconic vehicle.

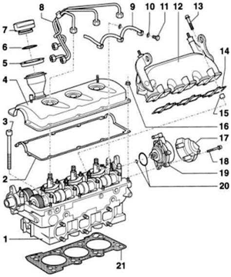
2003 Audi A4 3.0 Quattro Engine Diagram is not just a mechanical blueprint; it's a portal into the intricate network that powers the heart of a legendary vehicle. Dive into the wiring diagram and schematic labyrinth, where every line, every connection, narrates a story of precision engineering and cutting-edge technology.In this article, we embark on a journey through the 2003 Audi A4 3.0 Quattro Engine Diagram, dissecting its wiring diagram and schematic topics with the meticulousness of a surgeon. From the symphony of wires orchestrating the engine's performance to the roadmap of electrical pathways guiding its every function, we unravel the complexities hidden beneath the hood. So, buckle up as we decode the blueprint of power and precision in one of Audi's timeless masterpieces.

Unlock Power: 2003 Audi A4 3.0 Quattro Engine Diagram Decoded

Introduction

Introduction

Welcome to our exploration of the 2003 Audi A4 3.0 Quattro Engine Diagram. In this article, we delve into the intricacies of wiring diagram and schematic topics related to this iconic vehicle. Prepare to uncover the inner workings of this engineering marvel as we dissect its electrical blueprint.

Understanding the Basics

Understanding the Basics

Before delving into the specifics, let's grasp the fundamentals of wiring diagrams and schematics. These visual representations serve as guides to the electrical systems within the 2003 Audi A4 3.0 Quattro, offering insights into how various components are interconnected.

Navigating the Diagram

Navigating the Diagram

Understanding the layout of the engine diagram is essential for effective troubleshooting and maintenance. Whether you're a seasoned mechanic or a curious enthusiast, deciphering the symbols and pathways depicted in the diagram is key to comprehending the vehicle's electrical infrastructure.

Identifying Components

Identifying Components

Each component depicted in the wiring diagram plays a crucial role in the functioning of the 2003 Audi A4 3.0 Quattro. From sensors and actuators to relays and modules, discerning the purpose of each part facilitates accurate diagnosis and repair.

Troubleshooting Tips

Troubleshooting Tips

When faced with electrical issues, consulting the schematic diagram can provide valuable insights. By tracing the circuitry and pinpointing potential faults, troubleshooting becomes more efficient, saving both time and resources in the repair process.

Enhancing Performance

Enhancing Performance

For enthusiasts looking to optimize the performance of their 2003 Audi A4 3.0 Quattro, the wiring diagram serves as a roadmap to potential modifications and upgrades. Understanding the electrical layout allows for strategic enhancements that can elevate the vehicle's overall capabilities.

Ensuring Safety

Ensuring Safety

Properly interpreting the engine diagram is not only essential for performance but also for safety. Identifying potential hazards and ensuring all electrical connections are secure is paramount in preventing accidents and maintaining driver and passenger safety.

Conclusion

Conclusion

As we conclude our exploration of the 2003 Audi A4 3.0 Quattro Engine Diagram, we've gained valuable insights into its wiring diagram and schematic topics. Whether for maintenance, troubleshooting, or performance enhancement, understanding the electrical blueprint is essential for every Audi enthusiast.

Conclusion:

Thank you for joining us on this journey through the intricacies of the 2003 Audi A4 3.0 Quattro Engine Diagram. We hope this exploration of wiring diagrams and schematic topics has provided valuable insights into the inner workings of this iconic vehicle. Whether you're a seasoned mechanic or an Audi enthusiast, understanding the electrical blueprint is essential for maintenance, troubleshooting, and performance enhancement.

Remember, the engine diagram serves as a roadmap to the vehicle's electrical infrastructure, guiding you through every component and connection. By familiarizing yourself with the layout and symbols depicted in the 2003 Audi A4 3.0 Quattro Engine Diagram, you can effectively diagnose issues, enhance performance, and ensure safety on the road. We invite you to explore our other articles for further insights into automotive engineering and maintenance. Stay tuned for more informative content on engine diagrams and schematic topics!

Keyword:2003 Audi A4 30 Quot Quatro Engine Diagram

Related Keywords:Wiring Schematic, Electrical Blueprint, Engine Diagram, Audi A4, quattro


0 komentar