💥 2002 BMW E46 O2 Sensor Wiring Diagram: Master Your Car's Electrical Blueprint

Discover the intricate blueprint of your 2002 BMW E46 O2 sensor wiring diagram. Unlock insights into its electrical system and schematic topics for optimal car performance.

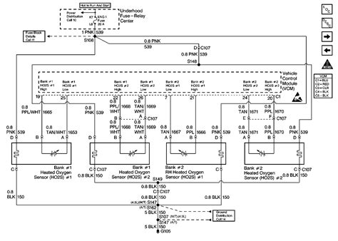
Welcome to a comprehensive exploration of the 2002 BMW E46 O2 sensor wiring diagram, a crucial component for understanding the intricate electrical system of this iconic vehicle. In this detailed analysis, we delve into the intricacies of wiring diagrams and schematic topics, shedding light on the vital role they play in ensuring optimal performance and functionality.Embark on a journey that uncovers the blueprint of the BMW E46 O2 sensor wiring diagram, revealing the intricate connections and pathways that govern the vehicle's oxygen sensor functionality. As we navigate through this technical landscape, we'll decipher the schematics with precision and clarity, providing invaluable insights for enthusiasts, mechanics, and curious minds alike. Let's dive into the world of automotive wiring diagrams, where every line and connection tells a story of engineering excellence and precision craftsmanship.

2002 BMW E46 O2 Sensor Wiring Diagram: Master Your Car

Wiring diagrams and schematic topics are essential components in understanding the intricate electrical systems of vehicles like the 2002 BMW E46. They provide a visual representation of the wiring layout and connections, aiding in troubleshooting and repair processes.

Understanding Wiring Diagrams

Understanding Wiring Diagrams

Wiring diagrams depict the electrical wiring layout of a vehicle, illustrating how various components are connected. They use symbols and color codes to represent wires, connectors, and components, allowing technicians to identify and trace circuits accurately.

Interpreting Schematic Topics

Interpreting Schematic Topics

Schematic topics provide detailed information about specific electrical components or systems within a vehicle. They include diagrams, charts, and explanations of how components function and interact, aiding in diagnosis and repair.

Identifying Components

Identifying Components

Identifying components within a wiring diagram is crucial for understanding how the electrical system works. Components such as sensors, switches, relays, and modules are represented using specific symbols and labels.

Tracing Circuits

Tracing Circuits

Tracing circuits involves following the path of electrical current flow through the wiring diagram. This process helps technicians locate faults, such as open circuits, short circuits, or faulty components, and determine the best course of action for repairs.

Diagnosing Faults

Diagnosing Faults

Diagnosing faults using wiring diagrams requires a systematic approach. Technicians analyze circuit diagrams, test individual components, and use diagnostic tools to pinpoint the root cause of electrical issues.

Repairing Wiring Issues

Repairing Wiring Issues

Repairing wiring issues involves correcting faulty connections, replacing damaged wires, or repairing connectors. Technicians refer to wiring diagrams to ensure proper routing and connection of wires during the repair process.

Ensuring Proper Installation

Ensuring Proper Installation

Ensuring proper installation of electrical components is vital for the overall functionality and safety of the vehicle. Technicians rely on wiring diagrams to verify correct wiring connections and prevent installation errors.

Maintaining Electrical Systems

Maintaining Electrical Systems

Maintaining electrical systems involves regular inspection and testing to prevent potential issues. Technicians use wiring diagrams to guide maintenance procedures and ensure the ongoing reliability of the vehicle's electrical components.

Conclusion:

Thank you for exploring the intricacies of the 2002 BMW E46 O2 Sensor Wiring Diagram with us. We hope this detailed analysis has provided you with valuable insights into understanding the electrical blueprint of your vehicle. As you continue to delve into automotive wiring diagrams and schematic topics, remember to always prioritize safety and accuracy when handling electrical components.Whether you're a seasoned mechanic or an enthusiast looking to enhance your understanding of your BMW's electrical system, we encourage you to explore our other articles related to wiring diagrams and schematic topics. By delving deeper into these subjects, you'll be equipped with the knowledge and confidence to tackle any electrical issues that may arise with your vehicle. Stay tuned for more informative content, and feel free to reach out with any questions or feedback you may have. Safe travels on the road ahead!

Keyword:2002 Bmw E46 O2 Sensor Wiring Diagram

Related Keywords:Wiring Diagram, Electrical System, O2 sensor, BMW E46, schematic topics


0 komentar